预售产品
- 6mm高性能电机(15)
- 6mm高性能电机(57)
- 6mm高性能电机(221)
- 8mm高性能电机(16)
- 8mm高性能电机(64)
- 8mm高性能电机(64)
- 10mm高性能电机(25)
- 10mm高性能电机(64)
- 10mm高性能电机(64)
- 10mm高性能电机(256)
- 12mm高性能电机(21)
- 12mm高性能电机(103)
- 12mm高性能电机(138)
- 12mm高性能电机(231)
- 16mm高性能电机(21)
- 16mm高性能电机(62)
- 16mm高性能电机(138)
- 22mm高性能电机(43)
- 26mm高性能电机(1526)
- 32mm高性能电机(138)
- 38mm高性能电机(150)
- 42mm高性能电机(62)
- 42mm高性能电机(83)
6mm高性能电机(15)
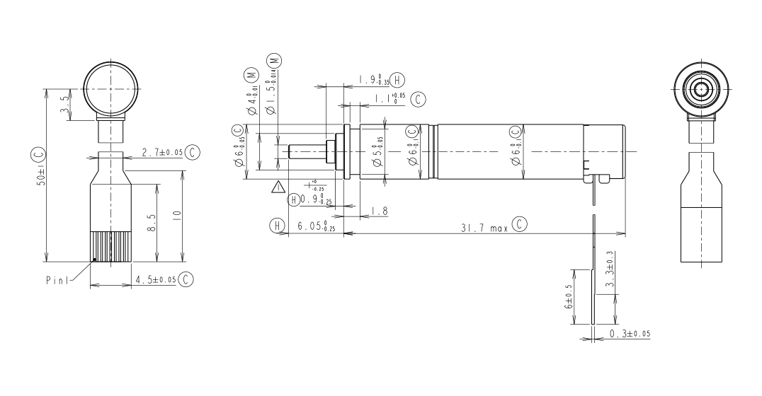
产品型号:GM22030-01
外直径(mm):6
总长度(mm max ):31.7
齿轮箱减速比:729:49(约15:1)
使用电压(VDC):12
空载转速(RPM):4000±15%
空载电流(mA Max):150
负载力矩(gf.cm):50
转速(RPM Min):2000
电流(mA Max):380
噪音:变音小于5dB,稳定后不超出50dB(侧面30CM,环境噪音34dB Max)
电机使用环境温度范围(°C):-40~+100
环保要求:满足RoHS指令规定
| FPC PIN定义 | |
| PIN1 | Winding 1 |
| PIN2 | Winding 2 |
| PIN3 | Winding 3 |
| PIN4 | VHall(3.3-24V) |
| PIN5 | GND |
| PIN6 | HALL 1 |
| PIN7 | HALL 2 |
| PIN8 | HALL 3 |
| 电机参数 | |
| 电机型号 | MC0623Φ6mm空心杯无刷电机 |
| 额定电压(V) | 12 |
| 空载转速(RPM) | 63400±10% |
| 空载电流(A) | 37±50% |
| 额定转速(rpm) | 46800±10% |
| 额定转矩(mNm) | 0.425 |
| 额定电流(A) | 0.308±50% |
| 堵转转矩(mNm) | 1.7±7% |
| 堵转电流(A) | 0.85±20% |
设计图纸
















6mm高性能电机(15)规格书
