股票代码  003021
主页 > 微型传动电机应用 > 超静音电机技术参数

超静音电机技术参数

2018-09-10 01:08

超静音电机的驱动噪音可以控制,具体程度可以根据客户需求定制驱动噪音的;超静音电机属于小功率微型减速电机,功率在50W以下,电压在24V以下,直径规格在38mm以下,主要结构由驱动电机、齿轮箱(减速器)组装而成,具备连接、驱动、减速、提升扭矩功能;超静音电机技术参数通常采用定制技术参数服务,例如驱动电机的结构类型、输出转速、功率、电压、直径规格等技术参数,齿轮箱减速驱动比、输出扭矩、回转精度、驱动噪音、齿轮箱结构、空载转速等技术参数是定制开发而成,HJC黄金城官网机电股份有限公司专注于研发、设计、制造超静音电机齿轮箱服务,提供定制开发服务。

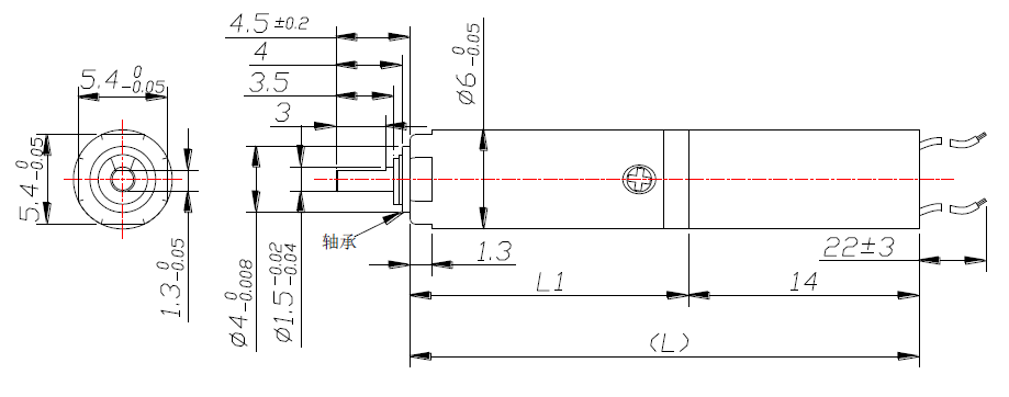
? 超静音电机技术参数:
? 齿轮箱类型:行星齿轮箱
? 齿轮材质:金属、粉末冶金 ? ?
? 产品型号:ZWMD006006
? 产品规格:Φ6MM产品
? 电 压:3-24V
? 空载转速:11-3824 rpm(可定制)
? 空载电流:30-40 mA (可定制)
? 负载转速:8-3229 rpm(可定制)
? 负载电流:100 mA (可定制)
? 速比:23.04-1707.9(可定制)
??驱动噪音:25DB(可定制)
? 产品特点:噪音低、规格小、精度、、寿命长
? 驱动电机:直流电机、空心杯电机、步进电机
? 产品用途:应用在智能电子门锁、指纹锁、手机摄像头、保险柜电子锁、电子产品等;

超静音电机参数
超静音电机参数

生产厂家
深圳市HJC黄金城官网机电股份有限公司是一家研发、生产齿轮驱动机构产品的企业,为客户提供驱动方案设计、零件模具设计和制造、零件生产和集成装配的定制开发服务。

在线留言 MESSAGES



验证码:

48  ⁄  8  =  

HJC黄金城官网 — 微型驱动系统制造商

专注于研发、生产精密驱动系统,为客户提供智能驱动方案设计,零件的生产与组装的定制化服务

立即咨询  >

粤ICP备11019966号     Copyright ? 2023  深圳市HJC黄金城官网机电股份有限公司  

粤ICP备11019966号
Copyright  2023  深圳市HJC黄金城官网机电股份有限公司

400-066-2287
服务热线


线

服务热线:400-066-2287
sitemap地图